Agentic Industrial Intelligence
AI agents that read thousands of engineering drawings and automatically extract line registers, equipment lists, and BOMs — then autonomously design, simulate, and generate production-ready outputs in CAD. From P&ID understanding to mold design automation, engineers stop copy-pasting spreadsheets and start engineering.
The Challenge in Industrial Engineering
Industry-specific data silos and manual processes that slow down decision-making
Tribal Knowledge Trapped in Drawings
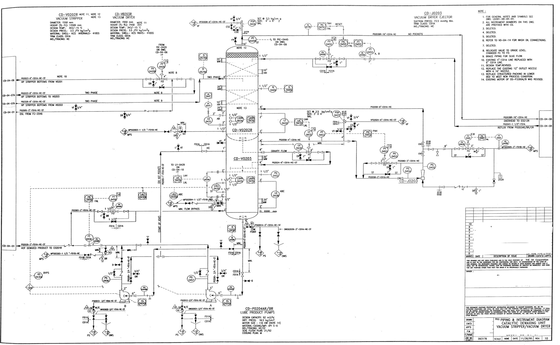
Engineering drawings — P&IDs, GADs, mold designs, structural layouts — contain decades of institutional knowledge, but it's locked in PDFs, DWG files, and the minds of senior engineers. When veterans retire, the knowledge walks out the door.
Weeks of Manual Design and Rework
Engineers manually interpret 2D drawings, cross-reference equipment specs, re-model in CAD, run simulations, revise, and repeat. A single mold design cycle takes 3–5 days. A P&ID-to-line-register extraction takes a team weeks.
Disconnected Tools, No Single Source of Truth
P&ID recognition outputs don't feed into the knowledge graph. CAD files don't connect to BOM data. Simulation results don't trace back to drawing specs. Engineers work across multiple tools — none of them talk to each other.
AI Capabilities for Industrial Engineering
Purpose-built AI agents that understand your domain
Engineering Drawing Understanding
AI vision models parse P&IDs, GADs, mold drawings, and structural layouts — recognizing symbols, extracting entity tags, tracing piping connections, and building structured engineering knowledge automatically.
Agentic Design Automation
AI agents operate real engineering software — not as a plugin, but as an autonomous engineer. Engineers direct via natural language. "Vibe Engineering" — like vibe coding, but for manufacturing.
Engineering Agentic Lakehouse (Tri-Store)
A self-constructing, AI-ready data infrastructure that fuses recognized drawings, domain knowledge, and engineering master data into a unified intelligence layer — so agents can reason like a senior engineer.
Ask Lumina — Engineering Q&A
Ask questions about any drawing, equipment, piping connection, BOM, or design specification in plain English. Lumina returns DB-verified answers with visual evidence, cross-references, cost breakdowns, and safety flags.
How It Works
From raw data to intelligent insights — powered by AI agents
“Rev 3 changed V-201 inlet line — safety issues? Cost impact?”
| Item | Delta |
|---|---|
| Pipe upsizing | +$8.4k |
| CV-201 removal | -$2.1k |
| CV-201 reinstall | +$3.8k |
| PSV-301 resize | +$15k |
| Net | +$25.1k |
.png)
| LINE | SIZE | SPEC |
|---|---|---|
| L-001 | 6" | CS A106 |
| L-002 | 4" | CS A106 |
| L-003 | 3" | SS 316 |
| L-004 | 8" | CS A106 |
| L-005 | 2" | SS 304 |
| L-006 | 6" | CS A106 |
This example contains confidential data. Actual deliverables are generated from client's proprietary engineering data.
Engineering Intelligence in Action
How industrial firms use DeepAuto to transform engineering workflows and eliminate knowledge loss
The Challenge
EPC firms and parts manufacturers managing complex plant designs and production operations face the same challenge: engineering knowledge scattered across thousands of drawings, CAD files, and veteran engineers' heads — all in different formats and tools. Engineers spend weeks manually interpreting drawings, re-modeling in CAD, cross-referencing specs, and building line registers. When senior engineers retire, decades of tribal knowledge disappear overnight. Design cycles that should take hours stretch into days and weeks.
Weeks → under 24 hours
The entire drawing-to-structured-knowledge pipeline — from raw P&ID to queryable engineering database — completes in under 24 hours. What used to take engineering teams weeks of manual interpretation.
Permanent institutional memory
Senior engineers' expertise no longer disappears when they retire. Every design decision, simulation result, material choice, and machining parameter is captured in the Tri-Store Agentic Lakehouse — searchable and queryable forever.
Autonomous engineering
AI agents design molds in CAD, run simulations, and generate CNC machining plans — all autonomously. Engineers review deliverable cards and direct via natural language. An 8-hour design cycle becomes 5 minutes.
One unified pipeline
P&ID recognition feeds the Knowledge Graph. Design outputs connect to BOM data. Simulation results trace back to drawing specs. One Agentic Lakehouse unifies engineering, manufacturing, and operations.
The Results
Explore Other Solutions
Ready to become
AI-first?
Schedule a 30-minute demo and see how DeepAuto can transform your enterprise data and workflows in weeks — not months.